Important Updates to Our Catalog Click Here

Discover Our Speciality Valves

Start Your Product Search

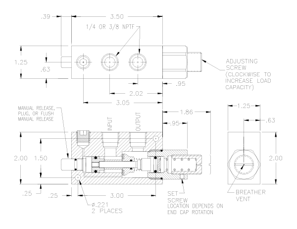
1/4 & 3/8 NPTF Pneumatic Counterbalance Valves

Patents Pending


Basic Operation:


The counterbalance valve will hold a load in position until pressure or an external force is applied to move the load. Turning the adjusting screw clockwise will increase the load carrying capacity of the valve. Optional manual and flush manual release.

  • Optional Manual Release
  • .0000522 cc/min Leak Rate
  • Adjustable Load Setting




Operating Data:


Max Pressure:
120 psi
Leak Rate:
.0000522 cubic cc/min
Temp. Range:
30 - 150 F
Cycle Rate:
1 cyc./sec.
Flow Capacity (Cv):
2.6
Cracking Pressure:
1-2 psi
Service:
Properly filtered dry air or lubricated air.


Model No. 1/4 NPTF 3/8 NPTF
No Manual Release B41C00 B61C00
Manual Release B41C0M B61C0M
Flush Manual Release B41CFM B61CFM


Product Specs: (Click to see a larger images)