Important Updates to Our Catalog Click Here

Discover Our Speciality Valves

Start Your Product Search

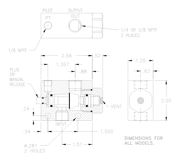
1/4 & 3/8 NPTF 316 Stainless Balanced Pilot Operated Check Valves

Patents Pending


Basic Operation:


Lock your pneumatic device in position when a pressure drop or total loss of pres- sure occurs. Manual release for exhaust- ing trapped air before maintaining the system (OSHA Requirement).

  • Immediate Checking
  • Optional Manual Release
  • .0000522 cc/min Leak Rate
  • Low & High Temp




Operating Data:


Max Pressure:
150 psi
Min. Pilot Pressure:
40 psi
Leak Rate:
.0000522 cubic cc/min
Temp. Range:
30 - 150 F
30-350 F (see table '-V')
-40-150 F (see table '-T40')
Cycle Rate:
1 cyc./sec. max.
Flow Capacity (Cv):
2.6
Cracking Pressure:
1-2 psi
Service:
Properly filtered dry air or lubricated air.


Model No. 1/4 NPTF 3/8 NPTF
No Manual Release B4M00SS B6M00SS
Manual Release B4M0MSS B6M0MSS
Flush Manual Release B4MFMSS B6MFMSS
For high temp seals add (-V) to the model # (ex. B4M0MSS-V).
For low temp seals add (-T40) to the model # (ex. B4M0MSS-T40).


Product Specs: (Click to see a larger images)