Important Updates to Our Catalog Click Here

Discover Our Speciality Valves

Start Your Product Search

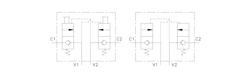
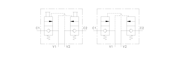
3/8 & 1/2 NPTF & 3/8 BSPP Dual Check Valves

Patents Pending


Basic Operation:


In the event of a pressure loss this unique valve maintains cylinder position by locking air in both cylinder ports. Eliminate drift due to leaky spool valves. A manual release is available to release trapped air from both ports independently.

  • Dual Manual Release
  • .0000522 cc/min Leak Rate
  • High Temp Available
  • G.375 BSPP In Stock




Operating Data:


Max Pressure:
150 psi
Min. Pilot Pressure:
40 psi
20 psi (see table '-K18')
Adv & Retract Ratio:
The pressure ratio of advance/ retract or retract/advance should not be greater than 2.
Temp. Range:
-20 - 150 F
30 - 350 F (see table)
Cycle Rate:
1 cyc./sec. max.
Flow Capacity (Cv):
3.8
Cracking Pressure:
1-2 psi
Service:
Properly filtered dry air or lubricated air.


Model No. 3/8 NPTF 3/8 BSPP 1/2 NPTF
No Manual Release D6C00 DG6C00 D8C00
Manual Release D6C0M DG6C0M D8C0M
Flush Manual Release D6CFM DG6CFM D8CFM
For high temp seals add (-V) to the model # (ex. D6C0M-V).
For low pilot pressure add (-K18) to the model # (ex. D6C0M-K18)


Product Specs: (Click to see a larger images)