Important Updates to Our Catalog Click Here

Discover Our Speciality Valves

Start Your Product Search

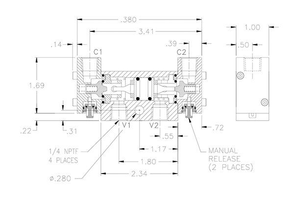
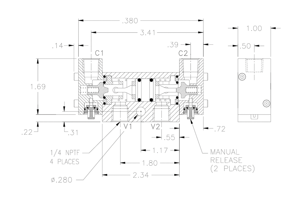
1/4 NPTF Dual Check Valves

Patents Pending


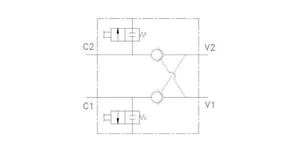
Basic Operation:


In the event of a pressure loss this unique valve maintains cylinder position by locking air in both cylinder ports. Eliminate drift due to leaky spool valves.

  • Air Tight Locking
  • Small Package
  • Faster Stops
  • Less Bounce




Operating Data:


Min / Max Pressure:
20-120 psi
Temp. Range:
30 - 150 F
Cycle Rate:
1 cyc./sec. max.
Flow Capacity (Cv):
1.5
Cracking Pressure:
1-2 psi
Service:
Properly filtered dry air or lubricated air.


Model No. No Manual Release Manual Release
1/4 NPTF – Ports Opposite Sides D4A000 D4A00M
1/4 NPTF – Ports Same Sides D4AS00 D4AS0M
Add '-T40' suffix for low temp. model


Product Specs: (Click to see a larger images)