Important Updates to Our Catalog Click Here

Discover Our Speciality Valves

Start Your Product Search

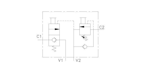
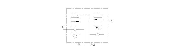
3/8 NPTF Dual Pneumatic Valve to Prevent Runaway Movement & Reduce Bounce

Patents Pending


Basic Operation:


This valve is used to reduce jerky motion in pneumatic systems. Back pressure is constantly applied to the air cylinder piston in order to prevent a runaway condition, where the cylinder will take off quickly and then stop when the back pressure builds up enough pressure to stop cylinder movement.

  • Dual Manual Release
  • .0000522 cc/min Leak Rate
  • Applies Constant Back Pressure to One Side of the Cylinder.
  • Prevents Runaway Condition




Operating Data:


Max Pressure:
150 psi
Min. Pilot Pressure:
40 psi
Counterbalance:
The counterbalance should be on the load side where gravity is adding to the pressure.
Temp. Range:
-20 - 150 F
Cycle Rate:
1 cyc./sec. max.
Flow Capacity (Cv):
3.8
Cracking Pressure:
1-2 psi (floating check)
Service:
Properly filtered dry air or lubricated air.


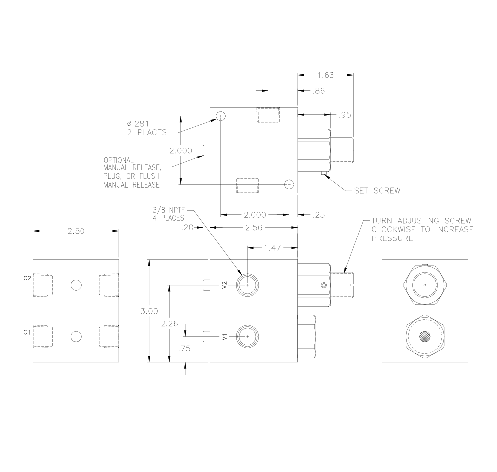
Model No. 3/8 NPTF
Flush Manual Release D6CFMC
Manual Release D6C0MC


Product Specs: (Click to see a larger images)