Important Updates to Our Catalog Click Here

Discover Our Speciality Valves

Start Your Product Search

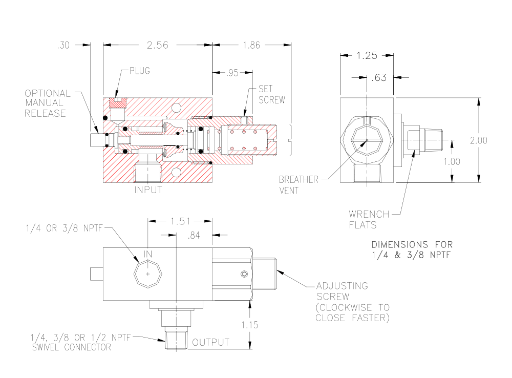
1/4, 3/8 and 1/2 NPTF Swivel Mount Counterbalance Valves

Patents Pending


Basic Operation:


The counterbalance valve will hold a load in position until pressure or an external force is applied to move the load. Turning the adjusting screw clockwise will increase the load carrying capacity of the valve. Optional manual and flush manual release.

  • Optional Manual Release
  • .0000522 cc/min Leak Rate
  • Adjustable Load Setting
  • Direct Mounting Swivel




Operating Data:


Max Pressure:
120 psi
Leak Rate:
.0000522 cubic cc/min
Temp. Range:
30 - 150 F
Cycle Rate:
1 cyc./sec.
Flow Capacity (Cv):
2.6
Cracking Pressure:
1-2 psi
Service:
Properly filtered dry air or lubricated air.


Model No. 1/4 Swivel 3/8 Swivel 1/2 Swivel
1/4 NPFT Input Port
No Manual Release B4SC00-25 B4SC00-38 B4SC00-50
Manual Release B4SC0M-25 B4SC0M-38 B4SC0M-50
Flush Manual Release B4SCFM-25 B4SCFM-38 B4SCFM-50
3/8 NPFT Input Port
No Manual Release B6SC00-25 B6SC00-38 B6SC00-50
Manual Release B6SC0M-25 B6SC0M-38 B6SC0M-50
Flush Manual Release B6SCFM-25 B6SCFM-38 B6SCFM-50


Product Specs: (Click to see a larger images)