Important Updates to Our Catalog Click Here

Discover Our Speciality Valves

Start Your Product Search

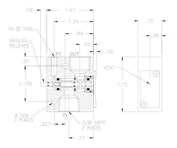
3/8 NPTF Pilot-Operated Locking Valves

Patents Pending


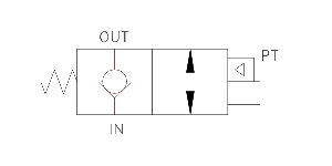
Basic Operation:


Lock your pneumatic device in position when a pressure drop or total loss of pressure occurs. Manual release for exhausting trapped air before maintaining the system (OSHA Requirement).

  • New Smaller Size
  • Manual Release
  • .000113 cc/min Leak Rate




Operating Data:


Max Pressure:
120 psi
Min. Pilot Pressure:
30 psi @ 80 psi
Leak Rate:
.000113 cc/min
Temp. Range:
30 - 150 F
Cycle Rate:
1 cyc./sec. max.
Flow Capacity (Cv):
1.2
Cracking Pressure:
2-3 psi
Service:
Properly filtered dry air or lubricated air.


Model No. 3/8 NPTF
Manual Release A6M0M


Product Specs: (Click to see a larger images)