Important Updates to Our Catalog Click Here

Discover Our Speciality Valves

Start Your Product Search

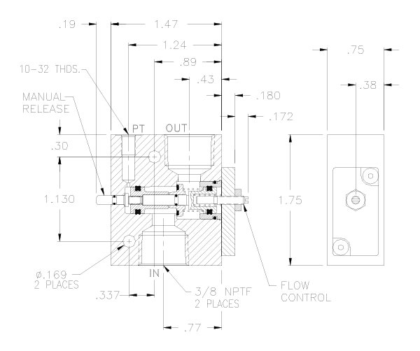
3/8 NPTF Pilot-Operated Locking Valves with Flow Control

Patents Pending


Basic Operation:


Lock your pneumatic device in position when a pressure drop or total loss of pres- sure occurs. Slowly lower the load when the valve is piloted open. The manual release for exhausting trapped air is also metered through the flow control, so the load is lowered slowly when the manual release is depressed.

  • Manual Release (Metered)
  • .000113 cc/min Leak Rate
  • Lower Loads Slowly




Operating Data:


Max Pressure:
120 psi
Min. Pilot Pressure:
30 psi @ 80 psi
Leak Rate:
.000113 cc/min
Temp. Range:
30 - 150 F
Cycle Rate:
1 cyc./sec. max.
Flow Capacity (Cv):
1.2
Cracking Pressure:
2-3 psi
Service:
Properly filtered dry air or lubricated air.


Model No. 3/8 NPTF
Manual Release A6M0MFL
No. of Turns Equivalent Dia (in.)
.5 .12
1.0 .17
1.5 .21
2.0 .24
2.5 .27
3.0 .30


Product Specs: (Click to see a larger images)