Important Updates to Our Catalog Click Here

Discover Our Speciality Valves

Start Your Product Search

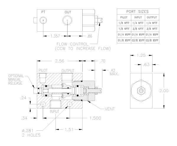
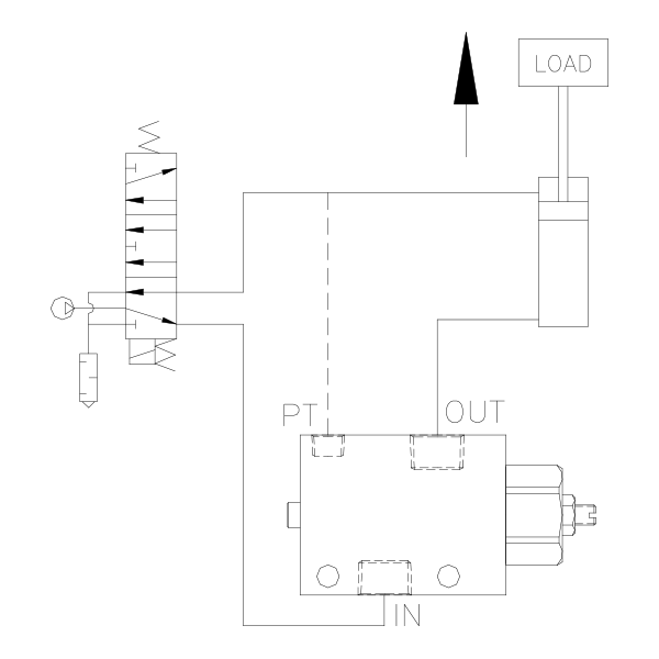
1/4, 3/8 NPTF & G1/4, G3/8 BSPP Pilot Operated Check Valves with Flow Controls Fast Advance and Slow Retract - Avoid Crash Landings

Patents Pending


Basic Operation:


Hold position when a pressure drop or total loss of pressure occurs. Flow control meters air from the output to the input port. Manual release to exhaust trapped air before maintaining the system (OSHA Requirement).

  • Avoid Crash Landings
  • Optional Manual Release
  • .000052 cc/min Leak Rate
  • Non-Ferrous Available




Operating Data:


Max Pressure:
150 psi
Min. Pilot Pressure:
40 psi
25 psi (see table)
Temp. Range:
30 - 150 F
Cycle Rate:
1 cyc./sec. max.
Flow Capacity (Cv):
2.6 max
Cracking Pressure:
1-2 psi
Service:
Properly filtered dry air or lubricated air.


Model No. No Manual Release Manual Release Flush Manual Release
1/4 NPTF B4M00FL B4M0MFL B4MFMFL
3/8 NPTF B6M00FL B6M0MFL B6MFMFL
1/4 BSPP BG4M00FL-1 BG4M0MFL-1 BG4MFMFL-1
3/8 BSPP BG6M00FL BG6M0MFL BG6MFMFL
For a lower pilot pressure add (-K18) to the model # (ex. B4M0MFL-K18).
No. of Turns Equivalent Dia (in.)
.25 .15
.50 .21
.75 .26
1.0 .30
1.25 .34
1.50 .37
1.75 .40


Product Specs: (Click to see a larger images)