Important Updates to Our Catalog Click Here

Discover Our Speciality Valves

Start Your Product Search

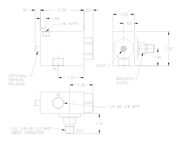
1/4, 3/8 & 1/2 NPTF Swivel Mounted Pilot Operated Check Valves

Patents Pending


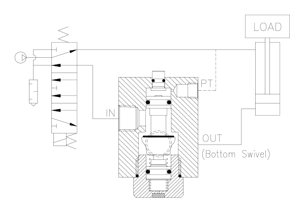
Basic Operation:


Locks any pneumatic device in position when a pressure drop or total loss of pressure occurs. Manual release removes trapped air before maintaining the system (OSHA requirement).

  • Optional Manual Release
  • .0000522 cc/min Leak Rate
  • Direct Mounting Swivel




Operating Data:


Max Pressure:
150 psi
Min. Pilot Pressure:
40 psi
25 psi (see table)
Temp. Range:
30 - 150 F
-40-150 F (low temp)
Cycle Rate:
1 cyc./sec. max.
Flow Capacity (Cv):
2.6
Cracking Pressure:
1-2 psi
Service:
Properly filtered dry air or lubricated air.


Model No. 1/4 Swivel 3/8 Swivel 1/2 Swivel
1/4 NPFT Input Port
No Manual Release B4S00-25 B4S00-38 B4S00-50
Manual Release B4S0M-25 B4S0M-38 B4S0M-50
Flush Manual Release B4SFM-25 B4SFM-38 B4SFM-50
3/8 NPFT Input Port
No Manual Release B6S00-25 B6S00-38 B6S00-50
Manual Release B6S0M-25 B6S0M-38 B6S0M-50
Flush Manual Release B6SFM-25 B6SFM-38 B6SFM-50
For low temp version add a (-T40) to the end of the model # (Ex: B4S00-25-T40).
For low pilot pressure add a (- K18) to the end of the model # (Ex: B4S00-K18).


Product Specs: (Click to see a larger images)