Important Updates to Our Catalog Click Here

Discover Our Speciality Valves

Start Your Product Search

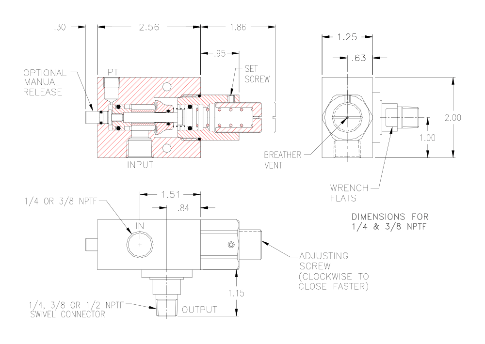
1/4, 3/8 & 1/2 NPTF Swivel Mount Pilot Operated Check Valves with "Quick Close" Adjustment

Patents Pending


Basic Operation:


Locks any pneumatic device in position when a pressure drop or total loss of pressure occurs. Standard pilot-operated check valves will not close fast enough when back pressure is present in the pilot line. Increasing the spring pressure causes the valve to close at a higher pilot pressure or before all the air exhausts, resulting in faster stops. Optional manual and flush manual.

  • Optional Manual Release
  • .0000522 cc/min Leak Rate
  • ‘Quick Close’ Operation
  • Direct Mounting Swivel




Operating Data:


Max Pressure:
120 psi
Min. Pilot Pressure:
Adjustable
Temp. Range:
30 - 150 F
Cycle Rate:
1 cyc./sec.
Flow Capacity (Cv):
2.6
Cracking Pressure:
1-2 psi
Service:
Properly filtered and lubricated air.


Model No. 1/4 Swivel 3/8 Swivel 1/2 Swivel
1/4 NPFT Input Port
No Manual Release B4S00AD-25 B4S00AD-38 B4S00AD-50
Manual Release B4S0MAD-25 B4S0MAD-38 B4S0MAD-50
Flush Manual Release B4SFMAD-25 B4SFMAD-38 B4SFMAD-50
3/8 NPFT Input Port
No Manual Release B6S00AD-25 B6S00AD-38 B6S00AD-50
Manual Release B6S0MAD-25 B6S0MAD-38 B6S0MAD-50
Flush Manual Release B6SFMAD-25 B6SFMAD-38 B6SFMAD-50


Product Specs: (Click to see a larger images)