Important Updates to Our Catalog Click Here

Discover Our Speciality Valves

Start Your Product Search

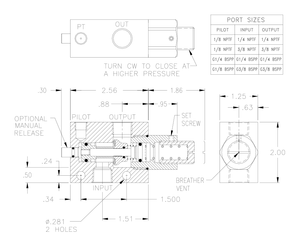
1/8, 1/4, 3/8 NPTF G1/4, G3/8 BSPP Adjustable Pilot-Operated Check Valve for Faster Stops or to Close at a Set Pressure

Patents Pending


Basic Operation:


Locks any pneumatic device in position when a pressure drop or total loss of pressure occurs. Set the valve to close at a certain pressure. The pilot line reads the pressure and closes the valve when the pressure drops below the set pressure.

  • Adjustable Pilot Pressure
  • Faster Stops
  • .000052 cc/min Leak Rate
  • Manual Release Option




Operating Data:


Max Pressure:
120 psi
Min. Pilot Pressure:
Adjustable
Leak Rate:
.0000522 cc/min
Temp. Range:
30 - 150 F
Cycle Rate:
1 cyc./sec.
Flow Capacity (Cv):
1.7 (1/8 model)
2.6 (1/4 and 3/8 models)
Cracking Pressure:
1-2 psi
Service:
Properly filtered dry air or lubricated air.


Model No. No Manual Release Manual Release Flush Manual Release
1/8 NPTF B2M00AD B2M0MAD B2MFMAD
1/4 NPTF B4M00AD B4M0MAD B4MFMAD
3/8 NPTF B6M00AD B6M0MAD B6MFMAD
1/4 BSPP BG4M00AD-1 BG4M0MAD-1 BG4MFMAD-1
3/8 BSPP BG6M00AD BG6M0MAD BG6MFMAD


Product Specs: (Click to see a larger images)