Important Updates to Our Catalog Click Here

Discover Our Speciality Valves

Start Your Product Search

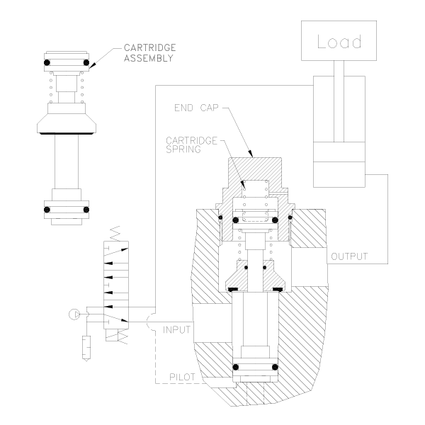
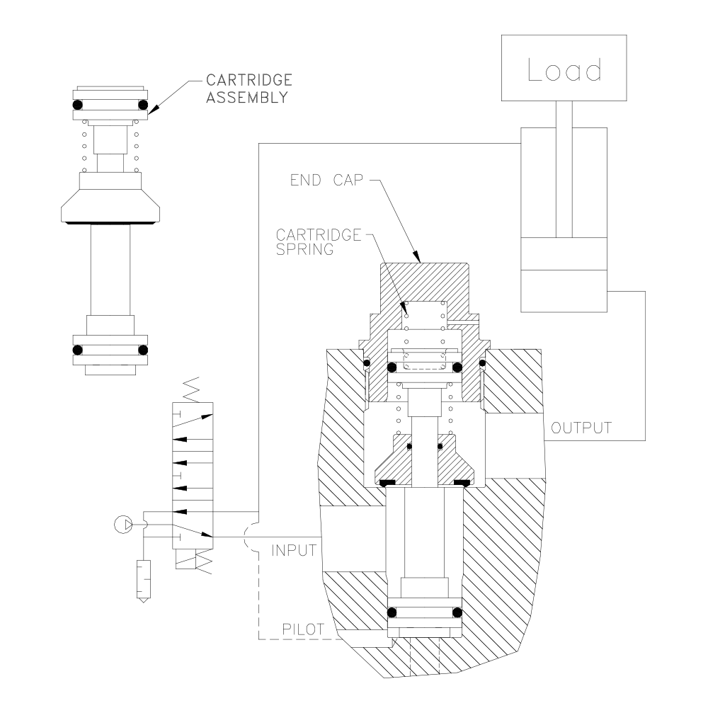
Pneumatic Cartridge Valve for a Manifold, Cv=16

Patents Pending


Basic Operation:


Lock your pneumatic device in position when a pressure drop or total loss of pressure occurs. The valve only allows air flow from the input to the output port unless air is supplied to the pilot to open the valve. The pilot line is usually connected to the opposite side of the air cylinder that is locked.

  • High Flow
  • Inserts From One Side
  • Easy Repair




Operating Data:


Max. Pressure:
120 psi
Min. Pilot Pressure:
20 psi @ 80 psi
Temp. Range:
0 to 150 F
Cycle Rate:
1 cyc./sec. max.
Max. Flow Capacity (Cv):
16
Cracking Pressure:
3.5 psi
Service:
Properly filtered dry air or lubricated air.


Description Model
Cartridge, End Cap & Spring BC16MNAS
Cartridge & Spring BC16MN


Product Specs: (Click to see a larger images)