Important Updates to Our Catalog Click Here

Discover Our Speciality Valves

Start Your Product Search

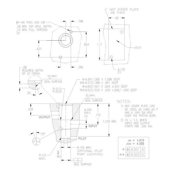
Pneumatic Cartridge Valve for a Manifold, Cv=1.2

Patents Pending


Basic Operation:


Lock your pneumatic device in position when a pressure drop or total loss of pressure occurs. Good for leak testing. Insert a cartridge assembly into a machined cavity and attach a cover for easy assembly.

  • .000113 cc/min Leak Rate
  • Inserts From One Side
  • Easy Repair
  • Small Size
  • 100% Tested




Operating Data:


Max. Pressure:
120 psi
Min. Pilot Pressure:
30 psi @ 80 psi
Leak Rate:
.000113 cubic cc/min
Temp. Range:
30 - 150 F
Cycle Rate:
1 cyc./sec. max.
Max. Flow Capacity (Cv):
1.2
Cracking Pressure:
2 - 3 psi
Service:
Properly filtered dry air or lubricated air.


Description Model
Cartridge, Bearing, Cover, Spring & Screws BC1MNAS
Cartridge, Bearing & Spring BC1MNB
Cartridge & Spring BC1MN


Product Specs: (Click to see a larger images)