Important Updates to Our Catalog Click Here

Discover Our Speciality Valves

Start Your Product Search

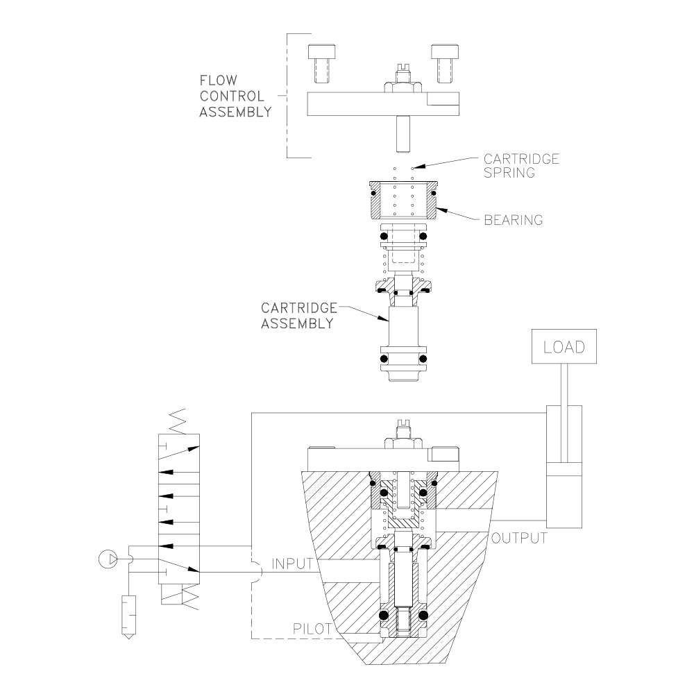
Pneumatic Cartridge Valve for a Manifold, Cv=1.2 with Flow Control

Patents Pending


Basic Operation:


Lock your pneumatic device in position when a pressure drop or total loss of pressure occurs. Control the speed of the air device with the flow control.

  • .000113 cc/min Leak Rate
  • Inserts From One Side
  • Easy Repair
  • Small Size
  • Metered Output to Input




Operating Data:


Max. Pressure:
120 psi
Min. Pilot Pressure:
30 psi @ 80 psi
Leak Rate:
.000113 cubic cc/min
Temp. Range:
30 - 150 F
Cycle Rate:
1 cyc./sec. max.
Max. Flow Capacity (Cv):
1.2
Cracking Pressure:
2 - 3 psi
Service:
Properly filtered dry air or lubricated air.


Description Model
Cartridge Asm., Bearing, Cartridge Spring & Manual Release Asm. BC1MNAS-2
Cartridge Asm., Bearing & Cartridge Spring BC1MNB
Cartridge Asm. & Cartridge Spring BC1MN
No. of Turns Equivalent Dia (in.)
.5 .12
1.0 .17
1.5 .21
2.0 .24
2.5 .27
3.0 .30


Product Specs: (Click to see a larger images)