Important Updates to Our Catalog Click Here

Discover Our Speciality Valves

Start Your Product Search

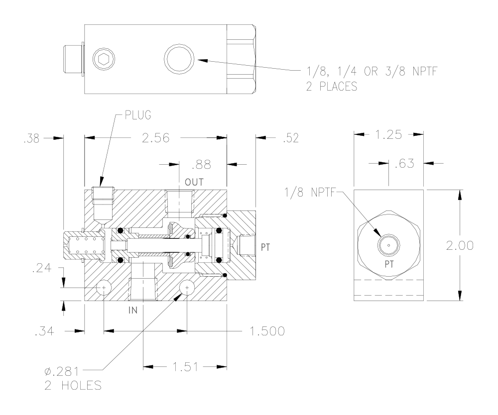
1/8, 1/4 & 3/8 NPTF 2-Way Normally Open, Pilot to Close with Floating Check

Patents Pending


Basic Operation:


Normally open valve that closes when pressure is applied to the pilot port. To open the valve, release the pilot pressure. Internal check allows free flow from input to output.

  • .000052 cc/min Leak Rate
  • Pilot to Close
  • Checks in One Direction




Operating Data:


Max. Pressure:
120 psi
Pilot to Close:
45 psi min.
Leak Rate:
.0000522 cubic cc/min
Temp. Range:
-20 - 150 F
Flow Capacity (Cv):
1.7 (1/8 model)
2.6 (1/4 & 3/8 models)
Cracking Pressure:
1 - 2 psi
Service:
Properly filtered dry air or lubricated air.


Model No.
1/8 NPTF 1/4 NPTF 3/8 NPTF
B2M00N0 B4M00N0 B6M00N0


Product Specs: (Click to see a larger images)