Important Updates to Our Catalog Click Here

Discover Our Speciality Valves

Start Your Product Search

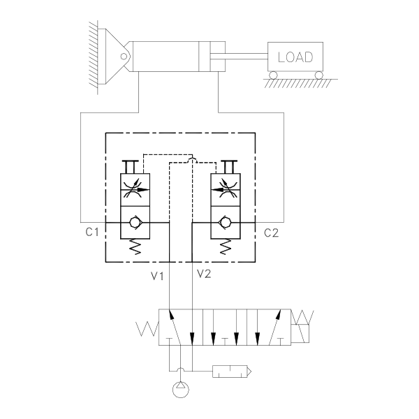
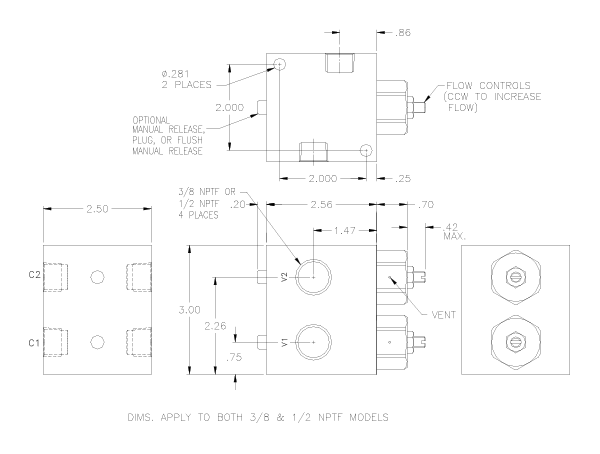
3/8 & 1/2 NPTF & 3/8 BSPP Dual Check Valves with Flow Controls

Patents Pending


Basic Operation:


In the event of a pressure loss this unique valve maintains cylinder position by locking air in both cylinder ports. The internal flow controls meter air out of the cylinder. A manual release is available to release trapped air from both ports independently.

  • Dual Manual Release
  • .0000522 cc/min Leak Rate
  • G.375 BSPP In Stock
  • Lower Loads Slowly




Operating Data:


Max Pressure:
150 psi
Min. Pilot Pressure:
40 psi
25 psi (see table '-K18')
Adv & Retract Ratio:
The pressure ratio of advance/ retract or retract/advance should not be greater than 2.
Temp. Range:
-20 - 150 F
Cycle Rate:
1 cyc./sec. max.
Flow Capacity (Cv):
3.8 max.
Cracking Pressure:
1-2 psi
Service:
Properly filtered dry air or lubricated air.


Model No. 3/8 NPTF 3/8 BSPP 1/2 NPTF
No Manual Release D6C00FL DG6C00FL D8C00FL
Manual Release D6C0MFL DG6C0MFL D8C0MFL
Flush Manual Release D6CFMFL DG6CFMFL D8CFMFL
For 25 psi pilot pressure add (-K18) to the model # (ex. D6C0MFL-K18)
Model No. 3/8 NPTF
.25 .15
.50 .75
.75 .26
1.0 .30
1.25 .34
1.5 .37
1.75 .40
2.00 .43
2.25 .45
2.50 .48
2.75 .50


Product Specs: (Click to see a larger images)